Radar Bewegungsmelder 24,125 GHZ CDM324

Autoren: Marc Ebmeyer, Prof. Dr.-Ing. Schneider
Einleitung
Der CDM324 ist ein Radarsensor für die Bewegungserfassung im ISM‑Band bei 24,125 GHz. Solche Mikrowellen‑Doppler‑Module werden zunehmend in der Gebäudeautomation, Beleuchtungssteuerung und Sicherheitstechnik eingesetzt, da sie gegenüber klassischen Passiv‑Infrarot‑(PIR)‑Sensoren Vorteile bei Reichweite, Erkennungsrichtung und Durchdringung von nichtmetallischen Hindernissen bieten. Dieser Fachartikel beschreibt Aufbau und Funktionsprinzip, typische Leistungsdaten, Einsatzmöglichkeiten, Installationshinweise sowie Vor‑ und Nachteile des CDM324‑Typs.
Technische Übersicht
| Eigenschaft | Daten |
|---|---|
| Radar Bewegungsmelder Modul | CDM324/RADAR-IPM-165 |
| Spannungsversorgung | VCC 4,75 V - 5,25 V |
| Versorgungsstromsstrom | 30 mA-40 mA |
| Betriebstemperatur | -20...+60 °C |
| Erfassungsabstand |
12 m |
| Erfassungswinkel |
80 ° |
| Frequenz |
24.125 GHz |
Pinbelegung

| Pin | Bezeichnung | Belegung | Signal | Arduino Uno R3 |
|---|---|---|---|---|
| 3 | Masse GND | 0 V | ||
| 2 | Ausgangsspannung | V | ||
| 1 | Betriebsspannung Vcc | 3-5 V |
Messverfahren
Das Radarmodul repräsentiert einen hochintegrierten Radarsensor mit Sende- und Empfangsteil sowie einem Gegentakt Mischer. Sorgfältige Schaltungsauslegung und Auswahl geeigneter Komponenten gewährleisten, dass das Modul die Vorgaben des Europäischen ETSI-Standards einhält und eine allgemein gültige CE-Zulassung besitzt. Radar-Bewegungsmelder arbeiten nach dem Dopplerprinzip: Die im Mikrowellenbereich gesendeten elektromagnetischen Wellen werden am Objekt reflektiert und im Modul mittels eines Mischers zum Sendesignal überlagert. Das am Mischerausgang entstehende Signal ist daher bezüglich der Frequenz der Geschwindigkeit proportional: 44 Hz entsprechen einer Bewegungsgeschwindigkeit von ca. 1 km/h. Die Amplitude des Signals ergibt sich entsprechend der Größe des Objekts, seinem Material und seinem Abstand zum Sensor. Während PIR-Sensoren sehr unempfindlich auf Bewegungen in direkter Richtung zum Sensor reagieren, zeigt der Radar-Sensor hier seine höchste Empfindlichkeit. Andererseits reagieren Radarsensoren unempfindlicher auf kreisförmige Bewegungen um den Sensor, während hier die PIR Sensoren gerade die höchste Empfindlichkeit besitzen. In modernen sicherheitstechnischen Anwendungen werden daher PIRSensoren und Radarsensoren gerne kombiniert. Die Signalspannung am Ausgang des Mischers ist sehr gering, in der Größenordnung von ca. 300 μV. Es wird daher ein nachgeschalteter Verstärker mit definierter Bandbreite (ca. 20...900 Hz) benötigt, der das Signal auf einen Nutzpegel bringt, der dann mittels eines Mikrocontrollers ausgewertet werden kann. Alternativ sind auch Module mit integriertem Verstärker lieferbar. Der Sensor besitzt leider ein Schild, sodass man leider nur die 2*4Patch-Antenne sieht. Der innere Aufbau des Radars sieht man in diesem Video dort werden die verbauten HF- Komponenten beschrieben. Unter anderem ist dort ein Ratrace oder Ringkoppler verbaut.
Hardwareaufbau
github Testcode für CDM324 Radar
Software
https://github.com/kd8bxp/24ghzdoppler
Arduino
DemoRadarCDM324.ino
|
//*****************************************************************************
// *
// Modul : DemoRadarCDM324.ino *
// *
// *
// Datum : 28.1.2026 *
// *
// Funktion : Demo RadarCDM324 *
// *
// Implementation : Arduino IDE vers. 2.3.7 *
// *
// Hardware : Arduino UNO R3 *
// *
// Author : (c) 2026, Marc Ebmeyer *
// *
// *
// Letzte Änderung : 26.2.2026 *
// *
//*****************************************************************************
const int analogPin = A0; //Analoger Anschluss vom Radar
unsigned long startTime; //Hilfvariable um Frequenz zu messen
unsigned long period; // PeriodenmessungsVariable vom Signal
int lastValue = 0; // initalisierung der Variabler letzter Messwert mit 0 um definierten Startwert zu haben.
int threshold = 512; // Beispielhafter Offset/Mittelwert (5V = 1023, 2.5V = 512)
float geschw_u32 =0; // Geschwindigkeits Variable
float exp_gleit_geschw_u32=0; // Geschwindigkeits Variable expotentiell geglättet
float gewichtung=0.4; // Gewichtung der expotentiellen Glättung
void setup()
{
Serial.begin(9600); // Initalisierung Seriell
}
void loop() // Hauptprogramm
{
int rawValue = analogRead(analogPin); // einlesen des Analogports
// Erkennung der steigenden Flanke durch den Mittelwert (Offset). Mttelwert belastetes Signal.
if (lastValue < threshold && rawValue >= threshold) {
period = micros() - startTime; //Periodenbestimmung
startTime = micros();
// Frequenz berechnen: 1.000.000 µs / Periodendauer in µs
float frequency = 1000000.0 / period;
// Geschwindigkeit berechnen 44Hz entspricht 1km/h linearer Anstieg
geschw_u32=frequency/44.0;
//expotentielle glättung des Signals
exp_gleit_geschw_u32 = (gewichtung*geschw_u32) +((1.0-gewichtung )*exp_gleit_geschw_u32 );
//Ausgabe der gemessenne Geschwindigkeit
Serial.println(exp_gleit_geschw_u32);
//Serial.println(" km/h");
}
// übergabe des Messwertes als neuer alter Messwert.
lastValue = rawValue;
// Kurze Pause, um Sampling-Rate nicht zu überlasten
delayMicroseconds(100);
}
|
URL: https://svn.hshl.de/svn/Informatikpraktikum_1/trunk/Arduino/ArduinoLibOrdner/ArduinoUnoR3/examples/DemoRadarCDM324/DemoRadarCDM324b/DemoRadarCDM324b.ino
Simulink
Datenblätter
Es gibt keine offizielle Herstellererklärung, die den CDM324 ausdrücklich als Clone oder Lizenzprodukt des IPM-165 bezeichnet. Da es für den CDM324 kein offizielles Datenblatt gibt, sind hier die Datenblätter des IPM-165 hinterlegt.
- Radar Bewegungsmelder Modul RADAR-IPM-165
- InnoSenT Applikationsschrift
- IC & Robot Gadges
- TL071CP Datenblatt
Messung
Messungen am Radar-Sensor
Das vom Radar ausgegebene Signal ist aufgrund seiner Beschaffenheit nicht direkt vom Arduino auswertbar. Das Signal weist ein Signaloffset von etwa 250mV auf (siehe unten).
Sobald das Radar eine Bewegung erkennt, schwankt das Signal um etwa 10mV, was mit dem Arduino schwer zu messen ist.
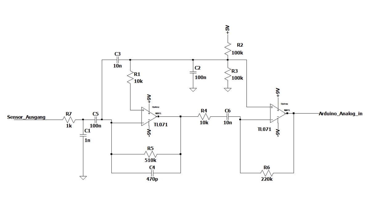
Verstärker Schaltung
Deswegen wurde einer Verstärkerschaltung aufgebaut, mit zwei Operationsverstärker. Dabei wird zuerst der Gleichanteil des Signales herausgefiltert durch den Kondensator am Eingang.

Zum Testen wurde der Radar-Sensor auf einem Tisch in einem Schraubstock befestigt. Nun bewegt man eine Metallplatte über ihn langsam und schnell mit der Hand hoch und herunterbewegt. Dabei kann man sehen, dass das verstärkte Signal in den Anschlag geht.
- Radar-Signal ohne Bewegung bei einer unipolaren Versorgung
- Radar-Signal mit langsamen Bewegungen bei einer unipolaren Versorgung
- Radar-Signal mit schnellen Bewegungen bei einer unipolaren Versorgung
Deswegen wurde der Operationsverstärker TL071CP mit einer negativen und einer positiven Spannung von 9V versorgt. Um eine stabile Spannung an den Operationsverstärker zu gewährleisten werden zwei 9V Blöcke verwendet.
- Radar-Signal ohne Bewegung bei einer bipolaren Versorgung
- Radar-Signal mit langsamen Bewegungen bei einer bipolaren Versorgung
- Radar-Signal mit schnellen Bewegungen bei einer bipolaren Versorgung
Dadurch hat sich das Signal noch mal deutlich verbessert. Um die Empfindlichkeit zu steigern, kann man den Widerstand R_6 z.B. auf 220k Ohm erhöhen, sodass der Messbereich des Arduinos bei niedrigen Geschwindigkeiten besser ausgenutzt wird. Den 510kOhm Widerstand R_5 setzt sich hier aus 390k Ohm und 120k Ohm zusammen.
Das Specktrum kann man entweder über den Spektrumanalyser sich anschauen, oder in Simulink z.B. in über die Power Gui in der man dann FFT auswählen kann oder den den Spektrumanalyser.
Video
Weiterführende Projekte
- Tiny radar using CDM324 module and FFT on STM32F4
- CDM324 Backpack v2 Testing
- How do automotive (FMCW) RADARs measure velocity?
- Thomas Barth: Introduction into CW Radar
- Arduino mit fast FFT
- Arduino mit fast FFT
→ zurück zum Hauptartikel: HSHL-Mechatronik-Baukasten, WS2025 - Sensortechnik








