Linearpotentiometer

Autoren: Marc Ebmeyer
Einleitung
Das hier vorhandene (siehe Abbildung 1) 10k lineare Stereo Schiebepotentiometer, besteht aus zwei Potentiometern deren GND Anschluss miteinander verbunden sind.
Technische Übersicht
| Eigenschaft | Daten |
|---|---|
| Spannungsversorgung |
VCC 5 V |
| Widerstand |
10 kOhm |
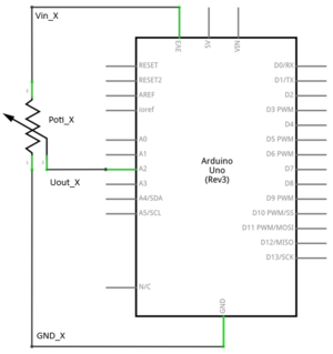
Pinbelegung
siehe Abbildung 2
| Pin | Beschriftung | Belegung | Signal |
|---|---|---|---|
| 1 | Uout_A | Ausgang Port A Uout_A | 0-5 V |
| 2 | Vin_A | Betriebsspannung Port A Vin_A | 5 V |
| 3 | GND | GND (Masse) = Pin6 | 0 V |
| 4 | Uout_B | Ausgang Port B Uout_B | 0-5 V |
| 5 | VinB | Betriebsspannung Port B VinB | 5 V |
| 6 | GND | GND (Masse) =Pin3 | 0 V |

Prinzipienerklärung
Dieses vorliegende Poti basiert auf einer linear aufgebrachten Kohle- oder Metal- Schicht, welche an einer einstellbaren Position abgegriffen wird. Dadurch bekommt man im Prinzip einen einstellbaren Spannungsteiler, durch die sich ergebenen zwei antiproportionalen Widerstände. Dieses Poti besteht zudem aus zwei parallel verbauten Potis, deren Ground Anschluss zusammengeführt ist.
Die beiden Ausgänge liefern unterschiedliche Werte. Was ist der Unterschied?
Hardwareaufbau

https://soldered.com/documentation/slider-potentiometer/hardware/
https://elektro.turanis.de/html/prj031/index.html
Software
https://soldered.com/documentation/slider-potentiometer/arduino-2/
Datenblatt
https://soldered.com/documentation/slider-potentiometer/overview/
Weiterführende Artikel
→ zurück zum Hauptartikel: HSHL-Mechatronik-Baukasten