Kontaktloses Thermometer
Autoren: Alexander Gossen, Markus Esjutin
Betreuer: Prof. Schneider
→ zurück zur Übersicht: WS 20/21: Angewandte Elektrotechnik (BSE)

Einleitung
Im Rahmen des Praktikums Angewandte Elektrotechnik im Masterstudiengang Business and Systems Engineering im Wintersemester 20/21 ist vorgesehen, dass sich die Studierenden mit einem Microcontroller-Projekt auseinadersetzen, indem das theoretische Wissen aus den folgenden Themengebieten angewendet wird:
- Schaltungstechnik
- Elektrotechnik
- Mess- und Regelungstechnik
Die Studierenden sind aufgefordert ein angemessenes Projekthema mit einem Funduino Uno R3 zu recherchieren und auszuwählen. Hierbei besitzen die Studierenden bezüglich des Lösungskonzepts jegliche Freiheiten und sind nicht eingeschränkt.
Ausschlaggebend für das Projektthema "Kontaktloses Thermometer" war der ausgebrochene Virus Sars-CoV-2 oder besser bekannt als der Coronavirus. Durch die hohen Infektionszahlen seit Anfang des Jahres 2020 sind viele medizinische Hilfsmittel wie z.B. Fieberthermometer schnell ausverkauft oder werden zu überhöhten Preisen angeboten. Deshalb wird dieses Projekt als Motivation gesehen, sein eigenes kontaktloses Thermometer zu entwickeln und anderen die Möglichkeit zu bieten dies nachzubauen.
Projektsteckbrief
Im Rahmen der Projektvorgehensweise wird die Funtkion des kontaklosen Thermometers anhand eines kurzen Steckbriefs erläutert. Die kontaktlose Temperaturmessung wird durch einen Infrarotsensor ermöglicht. Dieser agiert zusammen mit dem Ultraschallsensor und zwei LED's für eine korrekte Messung. Der Ultraschallsensor prüft, ob die angegebene Entfernung stimmt und zeigt dies anhand zwei verschiedenfarbiger LED's an. Liegt die Entfernung bei 2-5cm, leuchtet die LED grün. Ist die Entferung zu weit, leuchtet sie rot. Bei Betätigung eines Taster soll der Wert festgehalten werden und auf einem Display auslesbar sein. Bei erneuter Betätigung des Tasters, soll das Thermometer für eine neue Messung bereitgestellt sein.
Projektplan

Anforderungen an das Projekt
Die nachfolgende Liste beschreibt die Anforderungen an das Projekt "Kontaktloses Thermometer", die erfüllt werden müssen.
- Die Temparatur muss in Grad Celsius angezeigt werden und einen Bereich von 0 C° - 100 C° abdecken.
- Das Thermometer muss im Entfernungsbereich von 2-5cm bei einer Auflösung von 0,1 C° messen können.
- Eine grüne LED muss leuchten, sobald sich das Thermometer im Entfernungsbereich befindet. Ansonsten leuchtet sie rot.
- Bei Betätigung des Tasters muss die aufgenommene Temperatur festgehalten werden, solange sie sich im Entfernungsbereich befindet.
- Die Messergebnisse müssen visuell per Display und akustisch durch einen Signalton kenntlich gemacht werden.
- Die Ergebnisse müssen auslesbar sein bis der Taster wieder gedrückt wird.
- Die Stromversorgung soll alternativ über eine Batterie laufen.
- Die Temparaturmessung muss in Echtzeit erfolgen.
- Das Thermometer soll handlich und transportabel sein.
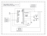
Funktionaler Systementwurf / Technischer Systementwurf
Funktionale Systemstruktur
Das Thermometer misst die Temperatur eines Objektes mithilfe eines Infrarotsensors. Aufgrund von Herstellerangaben (Zuverlässigkeitsbereich der Messungen) wurde der Messbereich des Sensors auf 2 cm - 5 cm festgelegt. Dies bedeutet, das man lediglich in diesem Distanzbereich Messungen durchführen kann. Sobald der entsprechende Messbereich erreicht ist, wird dies anhand von LED's signalisiert. Ein Display gibt den entsprechenden Text aus. Eine Messung wird durch die Betätigung eines Tasters durchgeführt. Die Stromversorgung und Mobilität des Thermometers ist über eine Batterie gewährleistet.

Technischer Systementwurf
Im Folgendem werden die Schaltpläne und die technische Zeichnung des Projekts dargestellt.

Komponentenspezifikation
Die Komponenten für die Umsetzung des Projekts sind in der unten stehenden Tabelle aufgelistet und bezüglich der Funktionen spezifiziert. Zudem liefert die Tabelle einen Überblick über die Kosten, um einen möglichen Nachbau zu erleichtern. Die meisten Komponenten wurden beim Anbieter funduino.de bestellt. Teile, wie der Infrarotsensor, OLED-Display und Anschlussleitungen wurden auf Amazon eingekauft. In der Tabelle sind die genauen Adressen verlinkt.
| Bauteil | Funktion | Preis € (inkl. Mehrwertsteuer) | Hyperlink |
|---|---|---|---|
| Arduino Uno R3 (alternativ Nano) | Mikrocontroller zur Ansteuerung der Schaltkreise | 13,90 | Arduino Uno R3 |
| MLX90614/5 Contactless Temperature Sensor | Infrarot-Temperaturmessung | 11,99 | MLX90614 |
| Ultrasonic Sensor HC-SR04 | Abstandsmessung zur Einhaltung des Messbereichs | 2,40 | Ultraschallsensor |
| Experimentelles Breadboard | Verbindung aller Schaltkreise | 0,47 | Breadboard |
| Jumper Wires | Verbindung aller Schaltkreise | 7,29 | Jumper Wires |
| OLED-Display (128x64) | Anzeigebildschirm | 5,79 | OLED-Display |
| Taster | Betätigung zur Aufnahme einer Temperaturmessung | 0,29 | Taster |
| LED (2x) | Indikator für Mindestabstand (rot) und Maximalabstand (grün) | 4,40 | LED |
| Filament (3D-Druck) | Herstellung eines Gehäuses für das Thermometer | 24,99 | 3D-Druck Filament |
| Lötkolben | Herstellung einer festen Verbindung zwischen den Wires | 18,22 | Lötkolben |
| Löt-Zinn | Verbindungsmaterial | 6,43 | Löt-Zinn |
Umsetzung (HW/SW)
In diesem Kapitel wird die Umsetzung des Thermoters anhand der verwendeten Hard- und Software-Tools verdeutlicht. Für die Programmierung des Mikrocontrollers wurde die Arduino IDE verwendet. Die CAD-Zeichnungen wurden mit Solidworks. Das Gehäuse des Thermometers wurde mit einem Creality Ender 3 Pro mit rotem 1.75 mm Filament 3D-gedruckt. Verbindungen zwischen den Komponenten wurden mit einem Lötkolben hergestellt.
// #include <Wire.h>
// #include <Adafruit_MLX90614.h>
// #include <mlx90615.h>
// #include<LiquidCrystal_I2C.h>
LiquidCrystal_I2C lcd(0x27, 16, 2);
MLX90615 mlx = MLX90615();
Adafruit_MLX90614 mlx = Adafruit_MLX90614();
unsigned char LED_GRUEN = 4;
unsigned char LED_ROT = 8;
unsigned char SPEAKER = 10;
unsigned char TRIG = 3;
unsigned char ECHO = 2;
unsigned char TASTER = 6;
unsigned int tasterStatus = 0;
unsigned long dauer = 0;
unsigned long entfernung = 0;
boolean tasterGedrueckt = false;
int tasterZeit = 0;
int entprellZeitTaster = 200;
double Temperatur = 0;
void setup()
{
Serial.begin(9600);
mlx.begin();
// Serial.print("Sensor ID number = ");
// Serial.println(mlx.get_id(), HEX);
pinMode(LED_GRUEN, OUTPUT);
pinMode(LED_ROT, OUTPUT);
pinMode(SPEAKER, OUTPUT);
pinMode(TRIG, OUTPUT);
pinMode(ECHO, INPUT);
pinMode(TASTER, INPUT_PULLUP);
lcd.init();
lcd.backlight();
}
void loop() {
t:
digitalWrite(TRIG, LOW);
delay(5);
digitalWrite(TRIG, HIGH);
delay(10);
digitalWrite(TRIG, LOW);
dauer = pulseIn(ECHO, HIGH);
entfernung = (dauer/2) / 29.1;
Serial.print("Entfernung ");
Serial.print(entfernung);
Serial.print(" cm\n\n");
unsigned int i = 0;
if ((entfernung <= 2) || (entfernung >= 5)){
if (i == 2){
lcd.clear();
}
digitalWrite(LED_GRUEN, LOW);
digitalWrite(LED_ROT, HIGH);
lcd.setCursor(0,0);
lcd.print("Nicht in ");
lcd.setCursor(0,1);
lcd.print("Reichweite...");
i = 1;
}
if ((entfernung >= 2) && (entfernung <= 5)) {
digitalWrite(LED_ROT, LOW); digitalWrite(LED_GRUEN, HIGH);
if (i == 1){
lcd.clear();
lcd.setCursor(0,0);
lcd.print("Bitte Taster ");
lcd.setCursor(0, 1);
lcd.print("betaetigen...");
}
i = 2;
tasterStatus = digitalRead(TASTER);
if (tasterStatus == HIGH) {
tasterZeit = millis();
if (tasterGedrueckt == true) {
tasterGedrueckt = false;
}
else {
tasterGedrueckt = true;
}
}
if ((millis() - tasterZeit > entprellZeitTaster) && (tasterGedrueckt == true)) {
Temperatur = mlx.readObjectTempC();
lcd.clear();
lcd.setCursor(0, 0);
lcd.print("Temperatur ");
lcd.print(Temperatur);
lcd.print(" C");
}
}
}
Komponententest
CAD-Entwurf
In diesem Kapitel wird der Entwurf des Thermometers mithilfe der CAD-Software Solidworks veranschaulicht und die Dateien zum Download zur Verfügung gestellt.
Die CAD-Daten dieses Projekts finden sich in den unten stehenden Links.
Datei:Projekt Griff.zip
Datei:Projekt Halterungen.zip
Datei:Projekt Mittelteil.zip
Ergebnis
Zusammenfassung
Lessons Learned
Während des Projekts traten Komplikationen in unterschiedlichen Bereichen an. Die größte Hürde stellte der Arduino Uno selbst dar. Dieser war für das Projekt aufgrund seiner technischen Abmessungen wenig geeignet. Aufgrund der Größe dieses Mikrocontrollers mussten die Komponenten auf engstem Raum platziert werden um die Größe des Gehäuses möglichst gering zu halten da es sich um handliches Thermometer handelt. Dies hatte auch zur Folge das viel mehr Filament zur Herstellung im 3D-Drucker benötigt wurde weil zum anderen die Größe des Gehäuses unerwartet anstieg und bedingt durch Optimierungen einzelne Teile des Gehäuses mehrfach gedruckt werden mussten. Zugleich wirkte sich die Wahl des Uno auch aus Kostensicht als nicht optimal heraus da es günstigere Alternativen für dieses Projekt gibt.
● Verbesserungsvorschlag: Arduino Nano oder ähnlichen Mikrocontroller für dieses Projekt verwenden!
Weitere Komplikationen traten in der Umsetzung der Software und der Wahl des Temperatur-Sensors auf. Durch unklare Dokumentationen bezüglich des Sensors in der Literatur und im Internet wurde viel Zeit dafür aufgewendet die passenden Bibliotheken zu finden. Auch der Sensor selbst, der MLX90614, stellte sich zwar als besondere kostengünstige Variante der kontaklosen Temperaturmessung heraus, konnte aber nicht durch seine Leistung überzeugen. Ernsthafte Messungen, wie beispielsweise Fiebermessungen, können mit diesem Sensor nur schwer realisiert werden.
● Verbesserungsvorschlag: Umfassendere Dokumentation der Software gewährleisten und gegebenfalls höherwertigen Temperatur-Sensor verwenden!
Projektunterlagen
Projektplan
Projektdurchführung
YouTube Video
Weblinks
Literatur
→ zurück zum Hauptartikel: