Escape Game: Kugel-Balancierer: Unterschied zwischen den Versionen
→Software-Umsetzung: Struktur für die Softwareumsetzung hinzugefügt |
→Software-Umsetzung: Simulink Modelle hinzugefügt |
||
| Zeile 403: | Zeile 403: | ||
Im Folgenden werden die einzelnen Subsysteme genauer erläutert. Dabei ist zu beachten, dass der Block LCD-Steuerung kein klassisches Subsystem ist, sondern ein selbst erstellter Block, der mithilfe des IO Device Builders erzeugt wurde. | Im Folgenden werden die einzelnen Subsysteme genauer erläutert. Dabei ist zu beachten, dass der Block LCD-Steuerung kein klassisches Subsystem ist, sondern ein selbst erstellter Block, der mithilfe des IO Device Builders erzeugt wurde. | ||
==== Tasterbestimmung ==== | |||
[[Datei:Kugel-Balancierer Tasterbestimmung.png|mini|600px|left|Abbildung 25: Tasterbestimmung Subsystem des Kugel-Balancierers]] | |||
<br clear=all> | |||
Die folgende Abbildung zeigt das Tasterbestimmung-Subsystem des Kugel-Balancierers. Dieses Modell wertet die Signale der Kipptaster aus, um damit die Reglerparameter zu steuern. | |||
Die Idee hinter diesem Modell ist es, einen Zähler zu implementieren, der seinen Wert erhöht, wenn der Kipptaster nach oben gedrückt wird, und verringert, wenn der Taster nach unten gedrückt wird. | |||
Zunächst werden die Signale der Taster über einen digitalen Eingang in Simulink eingelesen. Anschließend werden die Signale auf eine positive Flanke überprüft. Dadurch wird sichergestellt, dass der Zählerwert nur um eins erhöht oder verringert wird, auch wenn der Taster gedrückt gehalten wird. Das bedeutet, dass der Detect-Block bei gedrücktem Taster nur für einen Zyklus ein Signal mit dem Wert 1 ausgibt. | |||
Die Signale des Kipptasters werden anschließend addiert, wobei der Taster nach unten einen Wert von −1 besitzt. Da das resultierende Signal nur für einen Zyklus anliegt, wird ein Integrator-Block verwendet, der als Zähler fungiert. | |||
Zum Schluss werden die einzelnen Parameter durch einen voreingestellten Wert dividiert, um die finalen Reglerparameter auszugeben. | |||
==== Sollwert-Modus-Bestimmung ==== | |||
[[Datei:Kugel-Balancierer Sollwert-Modus-Bestimmung.png|mini|600px|left|Abbildung 26: Sollwert-Modus-Bestimmung Subsystem des Kugel-Balancierers]] | |||
<br clear=all> | |||
Die folgende Abbildung zeigt das Sollwert-Modus-Bestimmung-Subsystem des Kugel-Balancierers. Dieses Modell liest den Taster aus und implementiert sowohl die Funktionalität zur Sollwertkalibrierung als auch zur Bestimmung des Betriebsmodus. | |||
Der Kugel-Balancierer regelt die Kugel in die Mitte der Schiene. Abhängig von äußeren Einflüssen, wie beispielsweise Lichtverhältnissen, kann es jedoch vorkommen, dass der voreingestellte Sollwert nicht mit dem tatsächlich gemessenen Mittelpunktabstand übereinstimmt. Aus diesem Grund besteht die Möglichkeit, die Mittelpunktdistanz zu kalibrieren. | |||
Hierfür wird ein Taster verwendet. Wird dieser weniger als drei Sekunden gedrückt, so wird der Betriebsmodus gewechselt. Dabei wird vom Regelmodus in den Kalibriermodus übergegangen. | |||
Im Kalibriermodus fährt die Schiene auf einen definierten Winkel. Mithilfe der Kalibrierhilfe kann die Kugel anschließend exakt in der Mitte gehalten werden. Wird der Taster nun für mindestens drei Sekunden gedrückt, so wird die aktuell gemessene Distanz ausgelesen und als neuer Sollwert gespeichert. | |||
Durch dieses Vorgehen kann der Kugel-Balancierer zuverlässig auch unter unterschiedlichen äußeren Einflüssen betrieben werden. | |||
==== Distanzbestimmung ==== | |||
[[Datei:Kugel-Balancierer Distanzbestimmung.png|mini|600px|left|Abbildung 26: Sollwert-Modus-Bestimmung Subsystem des Kugel-Balancierers]] | |||
<br clear=all> | |||
Die folgende Abbildung zeigt das Distanzbestimmung-Subsystem des Kugel-Balancierers. Dieser Block liest die Ausgangsspannung des Sharp-IR-Sensors ein. Dabei handelt es sich um einen Analogwert im Bereich von 0 bis 1023. | |||
Zunächst wird dieser Wert in eine entsprechende Spannung umgerechnet. Anschließend wird mithilfe der Sensorkennlinie und der gemessenen Spannung die Distanz bestimmt. Die Sensorkennlinie wurde zuvor experimentell eingemessen und in Simulink mithilfe einer Lookup-Tabelle realisiert. Die zugehörigen Kennlinienwerte wurden bereits im Kapitel Komponentenspezifikation des Sensors behandelt. | |||
Zusätzlich wird das Distanzsignal gefiltert, um ein sauberes und störungsarmes Signal für die Regelung bereitzustellen. Hierfür kommen ein Medianfilter sowie ein Tiefpassfilter zum Einsatz. Der Medianfilter dient der Eliminierung von Ausreißern, da der Sharp-IR-Sensor zu systematischen Messausreißern neigt. Zur Glättung des Signals wird anschließend ein Tiefpassfilter verwendet. | |||
Der Alpha-Parameter des Tiefpassfilters wurde experimentell mithilfe einer Open-Loop-Simulation bestimmt. | |||
== Messtechnik == | == Messtechnik == | ||
Version vom 1. Januar 2026, 15:37 Uhr
| Autoren: | Kilian Engelhardt, Daniel Block |
| Betreuer: | Prof. Schneider |
Einleitung
Das Escape Game "Kugel-Balancierer" entsteht im Rahmen des Moduls Angewandte Mechatronik des Studiengangs Business and Systems Engineering (BSE). Anhand dieses Projekts lässt sich zeigen, wie sich mit wenigen Bauteilen ein experimentelles Puzzle für ein physikalisch-technisches Escape Game entwerfen lässt. Eine Kugel rollt auf einer einachsig kippbaren Schiene, ein Servomotor verändert den Neigungswinkel, ein Distanzsensor misst die Position. Die Spielenden stellen über drei Drehregler die P-, I- und D-Anteile eines Reglers ein. Ziel ist es, die Kugel für eine definierte Zeit im Fenster um die Mittelposition zu halten – gelingt dies, wird ein Code auf dem Display ausgegeben.
Das Puzzle erinnert an klassische Murmelbahnen und vermittelt zugleich zentrale Begriffe der Regelungstechnik. Die zugrunde liegende Physik ist anschaulich: Entlang der geneigten Ebene wirkt die Beschleunigung (für kleine Winkel ), die den Kugelort verändert. Ein PID-Regler nach der Formel stabilisiert das System. Hierbei stellt der Winkel des Servomotors die Stellgröße dar, der Positionsfehler bildet die Regelgröße.
Bezüglich der Vorgehensweise bei diesem Projekt wurde sich am Ablauf des V-Modells orientiert.
Schwierigkeitslevel: fortgeschritten
Lernziele: Spielerisch die Anwendung eines Reglers und die Einflüsse der drei Anteile P, I und D erlernen
Bezug zum BSE Studium: Regelungstechnik, Messdatenverarbeitung (Filterung)
Anforderungen
Als erster Schritt nach Vorgehensweise des V-Modells wurden Anforderungen definiert, welche während der Arbeiten am Projekt des Escape Games erfüllt werden sollen.
Die Anforderungen wurden in folgende Kapitel untergliedert und in Tabelle 1 festgehalten:
- Hardware
- Komponententest
- Software
- Programmierung
- Dokumentation
| ID | Typ (I = Info, A = Anforderung) | Kapitel | Inhalt | Ersteller | Datum | Status Auftragnehmer | ||
| 10 | I | 1 | Hardware | |||||
| 11 | A | Die Sensoren und Aktoren müssen mit dem Arduino verbunden sein. | Block | 02.10.2025 | Ausstehend | |||
| 12 | A | Die Außenmaße des Kugel-Balancierers müssen kleiner als 358,02 x 250 x 250 mm sein. | Block | 02.10.2025 | Ausstehend | |||
| 13 | A | Die konstruierten Bauteile sollen mittels 3D-Druck hergestellt werden, wobei der Anteil des für Stützstrukturen verwendeten Filaments weniger als 10 % des gesamten Filamentverbrauchs betragen darf. | Block | 02.10.2025 | Ausstehend | |||
| 20 | I | 2 | Komponententest | |||||
| 21 | A | Die Verdrahtung der elektronischen Komponenten mit dem Mikrocontroller muss mit dem Verdrahtungsplan überstimmen. | Engelhardt | 02.10.2025 | Ausstehend | |||
| 22 | A | Der Distanzsensor muss die Distanz zum Ball in einem Bereich von 3 bis 30 cm messen können. | Engelhardt | 02.10.2025 | Ausstehend | |||
| 23 | A | Der Distanzsensor muss eine Abtastrate von mindestens 20 Hz haben. | Engelhardt | 02.10.2025 | Ausstehend | |||
| 24 | A | Der Servomotor muss die Schiene von der Mittelstellung aus um mindestens 3 cm nach oben und 3 cm nach unten bewegen können. | Engelhardt | 02.10.2025 | Ausstehend | |||
| 30 | I | 3 | Software | |||||
| 31 | A | Die Programmierung des Mikrocontrolleralgorithmus muss durch die MATLAB/Simulink Software in der Version 2024b erfolgen. | Engelhardt | 02.10.2025 | Ausstehend | |||
| 32 | A | Der Mittelpunkt der Schiene muss mit einer Kalibrierfunktion einstellbar sein. | Engelhardt | 02.10.2025 | Ausstehend | |||
| 33 | A | Die Gewinnkondition muss erreicht werden, wenn der Ball für 5 Sekunden in der Mitte der Schiene (± 1,5 cm) balanciert wird. | Engelhardt | 02.10.2025 | Ausstehend | |||
| 34 | A | Der Code für das nächste Rätsel muss bei Erreichen der Gewinnkondition auf dem Display angezeigt werden. | Engelhardt | 02.10.2025 | Ausstehend | |||
| 40 | I | 4 | Programmierung | |||||
| 41 | A | Der Servomotor muss mit einem PWM-Signal angesteuert werden. | Block | 02.10.2025 | Ausstehend | |||
| 42 | A | Eine Funktion zur Filterung falscher Messwerte muss in den Algorithmus implementiert werden. | Block | 02.10.2025 | Ausstehend | |||
| 43 | A | Das PWM-Signal für den Servomotor muss von einem PID-Regler berechnet werden | Block. | 02.10.2025 | Ausstehend | |||
| 44 | A | Die P-, I- und D-Anteile des Reglers müssen in Echtzeit über Drehregler einstellbar sein. | Block | 02.10.2025 | Ausstehend | |||
| 45 | A | Die aktuellen Werte für die P-, I- und D-Anteile des Reglers müssen auf einem Display angezeigt werden. | Block | 02.10.2025 | Ausstehend | |||
| 50 | I | 5 | Dokumentation | |||||
| 51 | A | Alle Softwarekomponenten müssen einen Header besitzen. | Engelhardt | 02.10.2025 | Ausstehend | |||
| 52 | A | Ein Wiki-Artikel muss nach Anleitung fertiggestellt werden. | Engelhardt | 02.10.2025 | Ausstehend | |||
| 53 | A | Die angefertigten CAD-Modelle und Programmdaten müssen in SVN hochgeladen werden. | Engelhardt | 02.10.2025 | Ausstehend |
Materialliste
| Nr. | Anz. | Komponente | Beschreibung |
|---|---|---|---|
| 1 | 1 | Funduino Mega | Microcontroller |
| 2 | 1 | Sharp GP2Y0A41SK0F | Distanzsensor |
| 3 | 1 | MG996R | Servomotor |
| 4 | 3 | KY-040 | Drehregler |
| 5 | 1 | I602 I2C LCD Modul | Display |
| 6 | 1 | Taster | Taster |
| 7 | 1 | Reely Kugellager 3mm | Kugellager für Schiene |
| 8 | 1 | Gehäuse | 3D-Druck Gehäuse |
| 9 | 2 | Gabelkopf | Gabelkopf mit M3 Gewinde für Koppelstange |
| 10 | 1 | M3 Gewindestange | M3 Gewindestange für Koppelstange |
| 11 | 1 | Netzteil | 9V, 30W Netzteil |
| 12 | 1 | Diverse Verdrahtungsadern | Zum Verbinden der Komponenten |
| 13 | 1 | Diverse Schrauben | Zum Zusammenbauen der Komponenten |
Funktionaler Systementwurf
In der folgenden Abbildung 2 ist der funktionalen Systementwurf des Kugel-Balancierers dargestellt. Die mechanischen Elemente werden aus Holz bzw. mittels 3D-Druck erstellt. Mittels Servomotor kann der Drehwinkel einer Drehscheibe (Stellgröße) verändert werden, um die Laufbahn der zu balancierenden Kugel (in gelb dargestellt) zubewegen. An einer Seite der Laufbahn befindet sich ein Infrarot Distanzsensor, um die aktuelle Position dieser Kugel auf der Laufbahn zu erfassen, welche ebenfalls die Regelgröße des Systems darstellt. Diese soll durch einen auf dem Mikrocontroller (hier Arduino MEGA) ausgeführten PID Regler geregelt werden. Um das Escape Game zu starten und die P-, I- und D-Anteile des Reglers über die drei Rotary Encoder einzustellen, muss das System über den seitlichen Schalter eingeschaltet werden. Bei Erfolg wird ein Code über den Display ausgegeben.

Technischer Systementwurf
Als technischer Systementwurf für das Projekt wurde der folgende Verdrahtungsplan erstellt (siehe Abbildung 3). In diesem sind alle elektronischen Bauteile des Balancierers sowie deren Verdrahtung mit dem Mikrocontroller dargestellt.

Komponentenspezifikation
Servomotor
Der MG996R ist ein leistungsstarker Servomotor, der präzise Positionsbewegungen ausführen kann. Er wandelt PWM-Signale in eine definierte Drehstellung in Grad um und hält diese Position durch ein internes Rückkopplungssystem. Durch sein hohes Drehmoment ist der Servo in der Lage, die Wippe des Balancierers ohne Probleme zu bewegen.
- Betriebsspannung: 4,8 bis 7,2 V
- Stellkraft: 11 kg/cm bei 6,0 V
- Metallgetriebe
- 3 Pins (VCC,GND,PWM)
Infrarot-Distanzsensor
Der Sharp GP2Y0A41SK0F ist ein optischer Infrarot-Abstandssensor, der die Entfernung eines Objekts im Bereich von etwa 4 bis 30 cm messen kann. Das Messprinzip des Sensors beruht auf dem Aussenden eines Infrarotlichtstrahls mittels Infrarot LED, welcher von einem sich im Messbereich des Sensors befindlichen Objekt reflektiert und vom Detektor des Sensors (PSD, position sensitive detector) erneut aufgenommen und ausgewertet wird. In Abbildung 4 ist der Messaufbau des Distanzsensors zur Verdeutlichung dargestellt. Eine resultierende Ausgangsspannung des Sensors kann beispielhaft mithilfe der Kennlinie aus dem Sensordatenblatt (siehe Abbildung 5) in einen Abstand zum Objekt in cm umgerechnet werden, im weiteren Verlauf des Projekts wird jedoch eine eigene Sensorkalibrierung an verschiedenen Messpunkten durchgeführt.
- Betriebsspannung: 4,5 bis 5,5 V
- Messbereich: 4 bis 30 cm
- Abtastrate: ca. 60 Hz
- Pinbelegung: 3 Pins (VCC,Vo,GND)


Um die analoge Spannung des Sensors in eine Distanz umrechnen zu können, wurde die Spannung an verschiedenen Messpunkten auf der Schiene des Kugelbalanciers gemessen. Dabei wurde die Kugel in 1-cm-Schritten von 3 cm bis 28 cm auf der Schiene positioniert. Die Messwerte sind der folgenden Tabelle zu entnehmen.
| Entfernung in cm | Spannung in V |
|---|---|
| 3 | 2.341 |
| 4 | 2.268 |
| 5 | 2.243 |
| 6 | 2.048 |
| 7 | 1.799 |
| 8 | 1.623 |
| 9 | 1.461 |
| 10 | 1.31 |
| 11 | 1.207 |
| 12 | 1.109 |
| 13 | 1.031 |
| 14 | 0.9677 |
| 15 | 0.9189 |
| 16 | 0.8553 |
| 17 | 0.8162 |
| 18 | 0.7771 |
| 19 | 0.7331 |
| 20 | 0.694 |
| 21 | 0.6745 |
| 22 | 0.6354 |
| 23 | 0.5914 |
| 24 | 0.567 |
| 25 | 0.5474 |
| 26 | 0.53 |
| 27 | 0.51 |
| 28 | 0.4888 |
Diese Messpunkte werden in einer Lookup-Tabelle in Simulink verarbeitet. Anhand der Ausgangsspannung des Sensors kann dadurch die aktuelle Distanz bestimmt werden.
Drehgeber
Bei den für das Projekt verwendeten Drehgebern zur Einstellung der PID-Anteile handelt es sich um die KY-040 rotary encoder. Deren wesentliche Merkmale sind nachfolgend aufgelistet:
- Betriebsspannung: 5V
- 20 Pulse pro 360° Umdrehung
- kontinuierlich drehbar
- 5 Pins (CLK,DT,Switch,VCC,GND)
Anhand der Pins CLK, DT und GND kann die Drehrichtung des Drehgebers bestimmt werden. Liegt zuerst ein High-Signal an den Pins CLK und GND an, handelt es sich um eine Drehung im Uhrzeigersinn. Wird jedoch zuerst das High-Signal zwischen den Pins DT und GND erkannt, liegt eine Drehung im Gegenuhrzeigersinn vor. [3]
LCD-Display
Als Display zur Ausgabe von bspw. Nutzeranweisungen wird ein 1602 I2C LCD Modul mit HD44780 eingesetzt. Dieses besitzt die folgenden Eigenschaften:
- Betriebsspannung: 5V
- Pinbelegung: 4 Pins (VCC, GND, SDA, SCL)
- Display besitzt blaue Hintergrundbeleuchtung und weiße Schrift
- 2 Zeichenreihen mit 16 Zeichen pro Reihe auf Display
- verlötetes I2C HD44780 Modul
Umsetzung (HW/SW)
Hardware-Umsetzung
Gehäuseentwicklung
Die Entwicklung des Gehäuses begann mit einer ersten Skizze des möglichen Aufbaus. Im Mittelpunkt stand dabei der Kippmechanismus der Schiene in Kombination mit dem Servomotor. Daher wurde zunächst dieser zentrale Mechanismus konzipiert und anschließend das restliche Gehäuse darum herum konstruiert.
Die nachfolgende Abbildung zeigt die ursprüngliche Skizze des Kugel-Balanciers, welche als Grundlage für die weitere Entwicklung des CAD-Modells diente.
Die Schiene besitzt eine Länge von 30 cm, wobei sich ihr Drehpunkt exakt in der Mitte befindet. Schiene und Servomotor sind über eine Verbindungsstange miteinander gekoppelt. Der Anschlusspunkt dieser Verbindungsstange liegt 7,5 cm vom Drehpunkt der Schiene entfernt, während die Stange selbst 7 cm lang ist. Die Verbindungsstange wird über einen Servoarm mit dem Servomotor verbunden. Der Abstand zwischen dem Drehpunkt des Servos und der Anbindung der Verbindungsstange beträgt dabei 2,5 cm. In der Neutralstellung des Servos befindet sich die Schiene waagerecht, während die Verbindungsstange senkrecht steht. Alle genannten Maße wurden im Rahmen der Gehäuseentwicklung berücksichtigt.
Die nachfolgende Abbildung zeigt die vollständige Baugruppe des Kugel-Balanciers.
Ein zentraler Gedanke bei der Entwicklung des Gehäuses für den Kugel-Balancierer war ein modularer Aufbau. Das bedeutet, dass die Baugruppe aus mehreren einzelnen Komponenten besteht, die zusammen das Gesamtmodell bilden. Dadurch wird gewährleistet, dass einzelne Bauteile leicht ausgetauscht werden können und jederzeit ein einfacher Zugang zu allen wichtigen Komponenten möglich ist.
Die Wandstärke der Bauteile beträgt in den meisten Fällen 3 mm, ein guter Kompromiss zwischen Stabilität und Materialverbrauch. Im Folgenden werden die einzelnen Komponenten sowie deren Zusammenspiel näher beschrieben. Die entsprechenden Abbildungen finden sich im Anschluss an diesen Abschnitt.
Grundmodell
Das Gehäuse basiert zunächst auf dem Grundmodell, welches als Bodenplatte für das gesamte System dient und gleichzeitig mehrere Befestigungspunkte bereitstellt. Dazu gehört unter anderem der Servomotor, der direkt auf der Bodenplatte verschraubt wird. Zusätzlich ist auf der Grundplatte die von uns entwickelte Stecker-Platine befestigt.
Für den Einschub der Hauptplatine ist ein Schienenmechanismus integriert. Weitere Informationen zu den Platinen folgen im Unterkapitel „Platinenentwicklung“. Ebenfalls auf der Bodenplatte befindet sich der Verbindungsturm, der den Drehpunkt für die Schiene bildet.
Hauptgehäuse
Die nächste Komponente ist das Hauptgehäuse, das die äußere Hülle bildet und mit vier M3-Schrauben auf der Bodenplatte befestigt wird. Auch hier sind wieder verschiedene Bauteile integriert:
Das LCD-Display, das in einem ergonomischen Winkel angebracht ist, um ein komfortables Ablesen zu ermöglichen.
Drei Drehgeber sowie ein zusätzlicher Taster, die gemeinsam in einer Reihe unterhalb des Displays angeordnet sind.
Das Hauptgehäuse ist an beiden Seiten sowie auf der Rückseite offen. Diese Öffnungen werden mit separaten Seitenteilen verschlossen, die mithilfe von Neodym-Magneten befestigt werden. Dazu werden die Magnete sowohl im Hauptgehäuse als auch in den Seitenteilen eingesetzt. Diese modulare Bauweise ermöglicht einen besonders einfachen Zugang zum Innenraum. Über die rechte Seitenwand kann zudem direkt auf die Hauptplatine zugegriffen werden.
Schiene
Eine weitere zentrale Komponente ist die Schiene, auf der die Kugel balanciert wird. Diese ist über den Drehpunkt mit der Grundplatte verbunden, wobei ein Kugellager im Drehpunkt für eine reibungslose und spielfreie Bewegung sorgt.
Für den Neigungsmechanismus ist die Schiene über eine M3-Gewindestange mit dem Servomotor gekoppelt. An beiden Enden der Gewindestange befinden sich Gabelköpfe, welche die Verbindung zu Schiene und Servoarm herstellen.
Auf der Schiene ist außerdem ein IR-Abstandssensor montiert. Dafür wurde ein eigenes Sensorgehäuse entwickelt, das über Befestigungslöcher direkt mit der Schiene verschraubt wird. Auf der gegenüberliegenden Seite befindet sich eine Abdeckung, die einen statischen Hintergrund für den Sensor erzeugt. Beide Bauteile, Sensorgehäuse und Sensorabdeckung, werden im Abschnitt „Komponententest des IR-Sensors“ ausführlich erläutert, da sie aufgrund ihrer speziellen Ausgestaltung eine optimale Funktion des Sensors unterstützen.
Im Folgenden werden Bilder der einzelnen Komponenten gezeigt: Die nachfolgende Abbildung zeigt die vollständige Baugruppe des Kugel-Balanciers.
Platinenentwicklung
Der Kugel-Balancierer benötigt einen Mikrocontroller, um die Sensoren und Aktoren ansteuern zu können und die erforderlichen Regelungsberechnungen durchzuführen. Wir haben uns für die Nutzung eines Arduino Mega 2560 entschieden, da dieser ausreichend Rechenleistung sowie genügend Ressourcen bietet. Allerdings wollten wir nicht das vollständige Arduino-Mega-Entwicklungsboard verwenden, da die Vielzahl an Header-Pins für unser Projekt nicht benötigt wird. Zudem bieten Steckverbindungen über klassische Pin-Header keine dauerhafte, zuverlässige Lösung und sind eher für erste Prototypen geeignet. Aus diesem Grund entschieden wir uns, eine eigene Hauptplatine zu entwickeln, auf der sich unser Mikrocontroller befindet.
Um weiterhin vollständige Kompatibilität mit dem Arduino-Framework – und damit auch die modellbasierte Programmierung mit Simulink – sicherzustellen, haben wir die wesentlichen Komponenten des Arduino Mega 2560 übernommen. Unser Mikrocontroller ist daher ein ATmega2560, ergänzt durch den originalen ATmega16U2 als USB-zu-Serial-Schnittstelle. Eine Verbesserung, die sich aus der Eigenentwicklung ergab, war die Integration eines USB-C-Anschlusses anstelle des klassischen USB-B-Ports zur Programmierung des Boards.
Für die Entwicklung des Schaltplans in Multisim und der Platinenlayouts in Ultiboard dienten die originalen Arduino-Mega-2560-Rev3-Schaltpläne als Vorlage. Das Ergebnis ist eine kompakte Hauptplatine, die funktional einem Arduino-Mega-Board entspricht, jedoch ohne die Vielzahl an Pin-Headern auskommt.
Stecker-Platine
Um die Sensoren und Aktoren bequem mit der Hauptplatine verbinden zu können, entwickelten wir zusätzlich eine zweite Platine, die im Folgenden als Stecker-Platine bezeichnet wird. Die Verbindung zwischen beiden Platinen erfolgt über eine Einschubführung und eine Kombination aus Pin-Header und Buchsenleiste. Eine schematische Darstellung des Systems zeigt die folgende Abbildung.
Da wir beide Platinen selbst entwickeln konnten, waren wir in der Lage, die Abmessungen optimal an das vorhandene Gehäuse anzupassen und den Innenraum bestmöglich auszunutzen.
Die Stecker-Platine übernimmt neben der Signalverteilung zusätzlich die Spannungsversorgung. Der Kugel-Balancierer wird mit einem 9-Volt-Netzteil betrieben, während die Elektronik – insbesondere Hauptplatine, Sensoren und Aktoren – eine Versorgungsspannung von 5 Volt benötigt. Aus diesem Grund befindet sich auf der Stecker-Platine ein integrierter Spannungswandler mit den zugehörigen Kondensatoren und einer Schutzdiode.
Da der Servomotor kurzfristig hohe Ströme benötigt und dadurch Spannungsschwankungen verursachen kann, wurden zusätzlich spezielle Entstörmaßnahmen implementiert. Dazu zählen groß dimensionierte Elektrolytkondensatoren in unmittelbarer Nähe des Servo-Anschlusses sowie kleine Keramikkondensatoren direkt am Anschluss des IR-Abstandssensors. Diese Maßnahmen verhindern Störungen im Sensorsignal.
Die Stecker-Platine liefert somit die 5-Volt-Versorgung für die Hauptplatine. Alternativ kann das System über den USB-C-Anschluss gespeist werden; jedoch dürfen USB-C-Versorgung und 9-Volt-Netzteil nicht gleichzeitig angeschlossen sein.
Im Anschluss folgen die Schaltpläne sowie die Layout-Darstellungen der beiden Platinen.
Aus Ultiboard wurden anschließend die erforderlichen Gerber-Dateien exportiert, auf deren Basis die Platinen gefertigt werden konnten. Die Produktion erfolgte beim chinesischen Leiterplattenhersteller JLCPCB. Parallel dazu wurden verschiedene elektronische Komponenten bestellt.
Ein Großteil der benötigten Bauteile wurde jedoch von einem originalen Arduino Mega 2560 Rev3 ausgelötet und wiederverwendet, um Kosten zu sparen und eine vollständige Kompatibilität sicherzustellen.
Software-Umsetzung
Als erster Schritt zur Umsetzung der Software wurde ein Programm-Ablaufplan erstellt (siehe Abbildung 23), um die notwendigen Funktionen des zu erstellenden Algorithmus schrittweise festzulegen.

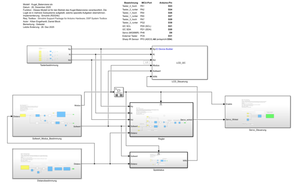
Das Simulink-Modell für den Kugel-Balancierer ist in mehrere Subsysteme aufgebaut, die jeweils eine bestimmte Aufgabe übernehmen. Dieser Aufbau dient der Strukturierung der Programmierung und fördert die Wartbarkeit des Programms. Die folgende Abbildung zeigt das Gesamtmodell des Kugel-Balancierers.

Das Modell ist in die folgenden Subsysteme aufgeteilt:
- Tasterbestimmung
- Sollwert-Modus-Bestimmung
- Distanzbestimmung
- Regler
- Spielstatus
- Servosteuerung
- LCD-Steuerung
Im Folgenden werden die einzelnen Subsysteme genauer erläutert. Dabei ist zu beachten, dass der Block LCD-Steuerung kein klassisches Subsystem ist, sondern ein selbst erstellter Block, der mithilfe des IO Device Builders erzeugt wurde.
Tasterbestimmung

Die folgende Abbildung zeigt das Tasterbestimmung-Subsystem des Kugel-Balancierers. Dieses Modell wertet die Signale der Kipptaster aus, um damit die Reglerparameter zu steuern.
Die Idee hinter diesem Modell ist es, einen Zähler zu implementieren, der seinen Wert erhöht, wenn der Kipptaster nach oben gedrückt wird, und verringert, wenn der Taster nach unten gedrückt wird.
Zunächst werden die Signale der Taster über einen digitalen Eingang in Simulink eingelesen. Anschließend werden die Signale auf eine positive Flanke überprüft. Dadurch wird sichergestellt, dass der Zählerwert nur um eins erhöht oder verringert wird, auch wenn der Taster gedrückt gehalten wird. Das bedeutet, dass der Detect-Block bei gedrücktem Taster nur für einen Zyklus ein Signal mit dem Wert 1 ausgibt.
Die Signale des Kipptasters werden anschließend addiert, wobei der Taster nach unten einen Wert von −1 besitzt. Da das resultierende Signal nur für einen Zyklus anliegt, wird ein Integrator-Block verwendet, der als Zähler fungiert.
Zum Schluss werden die einzelnen Parameter durch einen voreingestellten Wert dividiert, um die finalen Reglerparameter auszugeben.
Sollwert-Modus-Bestimmung

Die folgende Abbildung zeigt das Sollwert-Modus-Bestimmung-Subsystem des Kugel-Balancierers. Dieses Modell liest den Taster aus und implementiert sowohl die Funktionalität zur Sollwertkalibrierung als auch zur Bestimmung des Betriebsmodus.
Der Kugel-Balancierer regelt die Kugel in die Mitte der Schiene. Abhängig von äußeren Einflüssen, wie beispielsweise Lichtverhältnissen, kann es jedoch vorkommen, dass der voreingestellte Sollwert nicht mit dem tatsächlich gemessenen Mittelpunktabstand übereinstimmt. Aus diesem Grund besteht die Möglichkeit, die Mittelpunktdistanz zu kalibrieren.
Hierfür wird ein Taster verwendet. Wird dieser weniger als drei Sekunden gedrückt, so wird der Betriebsmodus gewechselt. Dabei wird vom Regelmodus in den Kalibriermodus übergegangen.
Im Kalibriermodus fährt die Schiene auf einen definierten Winkel. Mithilfe der Kalibrierhilfe kann die Kugel anschließend exakt in der Mitte gehalten werden. Wird der Taster nun für mindestens drei Sekunden gedrückt, so wird die aktuell gemessene Distanz ausgelesen und als neuer Sollwert gespeichert.
Durch dieses Vorgehen kann der Kugel-Balancierer zuverlässig auch unter unterschiedlichen äußeren Einflüssen betrieben werden.
Distanzbestimmung

Die folgende Abbildung zeigt das Distanzbestimmung-Subsystem des Kugel-Balancierers. Dieser Block liest die Ausgangsspannung des Sharp-IR-Sensors ein. Dabei handelt es sich um einen Analogwert im Bereich von 0 bis 1023.
Zunächst wird dieser Wert in eine entsprechende Spannung umgerechnet. Anschließend wird mithilfe der Sensorkennlinie und der gemessenen Spannung die Distanz bestimmt. Die Sensorkennlinie wurde zuvor experimentell eingemessen und in Simulink mithilfe einer Lookup-Tabelle realisiert. Die zugehörigen Kennlinienwerte wurden bereits im Kapitel Komponentenspezifikation des Sensors behandelt.
Zusätzlich wird das Distanzsignal gefiltert, um ein sauberes und störungsarmes Signal für die Regelung bereitzustellen. Hierfür kommen ein Medianfilter sowie ein Tiefpassfilter zum Einsatz. Der Medianfilter dient der Eliminierung von Ausreißern, da der Sharp-IR-Sensor zu systematischen Messausreißern neigt. Zur Glättung des Signals wird anschließend ein Tiefpassfilter verwendet.
Der Alpha-Parameter des Tiefpassfilters wurde experimentell mithilfe einer Open-Loop-Simulation bestimmt.
Messtechnik
Im Rahmen der Messtechnik wird die Messunsicherheit der eingesetzten Sensoren (hier IR-Distanzsensor) bestimmt, um Aussagen über die Genauigkeit und Zuverlässigkeit der Messergebnisse von Sensoren treffen zu können. Die Bestimmung der Messungenauigkeit eines Messsystems besteht aus Wiederholungsmessungen mit anschließender Berechnung der Standardabweichung und kombinierten Standardunsicherheit aus den Messwerten.
IR-Sensor
Die folgende Abbildung zeigt die berechnete Messunsicherheit des IR Sensors.

Die Abbildung zeigt die Messunsicherheit eines IR-Sensors bei einer Referenzdistanz von 14,5 cm. Aus 5 Messwerten ergibt sich ein Mittelwert von 14,5032 cm mit einer kombinierten Messunsicherheit (Typ C) von ±0,2687 cm, entsprechend 3,71 %.
Die Unsicherheit Typ C setzt sich aus der statistischen Unsicherheit der Messreihe (Typ A) sowie der systematischen Unsicherheit des Messsystems (Typ B) zusammen. Alle Messwerte liegen innerhalb der berechneten Unsicherheitsgrenzen, und der Mittelwert stimmt gut mit dem Referenzwert überein. Das Messergebnis wird daher als verwertbar eingestuft.
Komponententest
Ergebnis
Zusammenfassung
Lessons Learned
Projektunterlagen
Projektplan

Projektdurchführung
YouTube Video
Weblinks
Literatur
→ zurück zur Übersicht: WS 25/26: Escape Game
















