SDE WS25: AP 2.3 Geregelte Fahrt in der rechten Fahrspur

Autor: Lukas Berkemeier
Einleitung
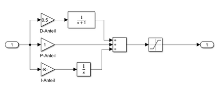
Im Rahmen des Sprints SDE Systementwicklung WS25/26: Spurverfolgung mit Kamera ist es die Aufgabe, einen Autonomen Mobilen Roboter via Kamera und Spurerkennung in der rechten Fahrspur geregelt fahren zu lassen. Mit dem Arbeitspaket geregelte Fahrt in der rechten Fahrspur wurde ein PID-Regler gewählt, da dieser Präzise und schnell regelt. Der Regler wurde so parametriert, dass der AlphaBot in der rechten Fahrspur autonom fährt. Dabei wird im Regler auf die größere Y-Koordinate des Vektor einer erkannten Linie geregelt. Ausgabe des Reglers ist die Stellgröße als PWM-Größe, mit der die Motoren des AlphaBot angesteuert werden.
Das Simulink-Modell in dem das Subsystem integriert ist, ist in drei Matlab-Versionen gespeichert:
- R2024b: SpurRegelungAlphaBot.slx
- R2025a: SpurRegelungAlphaBot.slx
- R2025b: SpurRegelungAlphaBot.slx
Anforderungen
| ID | Priorität | Inhalt | Ersteller | Datum |
|---|---|---|---|---|
| 1 | 1 | Geregelte Fahrt in der rechten Fahrspur | Lukas Berkemeier | 09.12.2025 |
| 2 | 1 | Es muss auf die Regelabweichung geregelt werden | Lukas Berkemeier | 09.12.2025 |
| 2 | 1 | Die Stellgröße muss ein PWM-Wert im Bereich von 0-20 zur Berechnung der Motorstellgröße liegen. | Lukas Berkemeier | 09.12.2025 |
| 4 | 2 | Die Berechnung der Ist-Ablage muss in Matlab-Simulink realisiert werden | Lukas Berkemeier | 09.12.2025 |
Umsetzung

Zur Umsetzung des Arbeitspakets wurde ein PID-Regler implementiert und parametriert. Als Eingang wird die Regelgröße, berechnet aus Soll- und Ist-Wert genutzt. Die Stellgröße als Ausgang ist ein PWM-Wert, der zur Berechnung der Motorleistung verwendet wird. Aufgrund des Integrationsverhaltens des Reglers wurde eine Stellgrößenbegrenzung eingefügt um ein sogenanntes "Wind-up" zu vermeiden.
Modultest

Der Modultest wurde mithilfe eines Simulink Tests realisiert. Dazu wird für das Subsystem PID-Regler eine Test Harness angelegt, in der Eingabedaten in Form einer .mat-Datei eingelesen werden. Das Subsystem wird mit den Eingabedaten ausgeführt und können dann mit den Ausgabedaten verglichen werden. Das Testergebnis wurde automatisch realisiert.
Notwendige Dateien:
Automatisch generierter Testbericht:
Aus dem Testbericht ist zu entnehmen, dass die Regelung je nach Regelabweichung reagiert und somit die Anforderungen an das Modul beziehungsweise Subsystem erfüllt sind.
Zusammenfassung
Im Rahmen des Arbeitspakets wurde ein PID-Regler ausgewählt, implementiert, parametriert und getestet. Mit dem Regler ist es möglich den AlphaBot autonom in der rechten Fahrspur der Fahrbahn fahren zu lassen.
→ zurück zum Hauptartikel: SDE Praktikum Systementwurf SoSe2025
→ zurück zum Artikel: SDE-Team 2025/26
→ zurück zum Artikel: Spurverfolgung mit Kamera